Participei de 2024 a 2025 da primeira edição da residência Labquilombola promovida pela Maranha que tem como base a troca de saberes entre mestras quilombolas e artistas. Foram selecionados 3 artistas, 1 artista convidado e 3 quilombos para realizar a vivência: Chris Tigra e Negalê no Quilombo da Caçandoca, Felipe Nunes no Quilombo do Cafundó e eu no Quilombo da Fazenda.
A residência se organizou em 2 etapas: Hacklab que foi o momento de troca mais intensa no território quilombola e Openlab que foi a execução de tudo que foi idealizado na etapa anterior. Me acompanharam nesse processo Anastácio, curador e idealizador da residência, Juliana Santos e Vanessa Calcian, da produção, e Lukas Doraciotto, diretor de arte da Maranha.
Minha proposta para residência foi discutir o tempo e o que entendemos como tecnologia, principalmente na expansão desses temas e a não hierarquização tecnológica.
Umas das coisas que desejei desde do início do projeto que surgiu nas primeiras conversas com o André Anastácio, era que o resultado final fosse de código aberto, assim como outros trabalhos que desenvolvo. Esse texto e documentação é um esforço nesse sentido de abrir subjetivamente e tecnicamente os caminhos percorridos para execução dessa residência.
Pretendo compartilhar aqui um pouco de cada parte da residência e aspectos técnicos do que foi desenvolvido. Caso queira pular pra alguma parte específica organizei o texto nos seguintes tópicos
- Hacklab: relato dos processos e pensamentos durante a parte de imersão no território.
- Openlab: construção da obra Eletrotramas.
- Aspectos Técnicos: resumo das tecnologias utilizadas no trabalho.
Além desse texto está disponível no Github um repositório com todos os códigos gerados no Hacklab e Openlab, a última versão do código da instalação e uma lista de todos os componentes utilizados. Segue o link: https://github.com/guilhermesv/eletrotramas-labquilombola.
A produção desse texto é também um agradecimento em forma de compartilhamento a generosidade do amigo Carlos Vamoss nos deixou antes desse projeto se concluir, obrigado por tudo.
Hacklab
Fiquei 6 dias no Quilombo da Fazenda com as mestras Carmen, Cida e Natalina que dominam o feitio e a tecnologia das artes com a fibra natural da taboa, com André Anastácio, curador e idealizador do projeto e a equipe de produção da Maranha: Lukas, Juliana, Vanessa e Renato. Foram dias de aproximação com o território e comunidade local, aprendizados e de experimentações artísticas.

Um dos aspectos mais importantes da residência foi estar presente no espaço e a troca com as mestras. Acho que talvez exista uma percepção romantizada de quilombos e aldeias como lugares sem conflitos e complexidades, que existe apenas uma vida rodeada por uma natureza estonteante e pessoas vivendo em harmonia, totalmente desconectadas e indiferentes aos grandes centros urbanos.
Mas a realidade é muito mais profunda que essa visão distante, esses territórios são vivos, não estão parado no tempo, possuem seus conflitos, se relacionam com outros locais e são espaços de especulação política e abuso de poder assim como as periferias das grandes capitais.
Para manterem ressoando sua cultura é necessário resistência e os principais movimentos do Quilombo da Fazenda nesse sentido são a luta pelo reconhecimento do território quilombola, o turismo de base comunitária, o grupo de jongo que ajuda a manter as história local através da oralidade e a Casa de Artesanato que permite com que os saberes manuais produzidos no território sejam preservados e comercializado.




Durante os primeiros dias acompanhei e aprendi o trabalho das mestras Cida, Carmen e Natalina. A arte delas é um trabalho integral no seu sentido mais completo, se inicia na colheita da taboa que cresce naturalmente nos arredores do quilombo, passa pelo secamento natural e preparação do material e vai para confecção das peças e por fim o tratamento final delas com verniz. É um trabalho de quem tá próximo do seus insumos, algo que poucos artistas tem oportunidade. Elas colhem a matéria-prima.

Assim como todo trabalho artístico deveria ser, é algo que acontece no tempo, a matéria-prima dita o ritmo do trabalho: quando dá pra entrar no taboal, quando a taboa pode ser colhida, o quanto de taboa pode ser colhida sem prejudicar o ciclo natural e quando está seca o suficiente para ser trabalhada. Existe esse tempo dilatado entre começo e fim.

Todo o processo de troca com as mestras se deu uma maneira muito horizontal, não existe propriedade sobre o conhecimento. A ideia de que um saber precisa ter dono e ser segredo não foi a prática vivenciada, lá ele é transmitido para prosseguir ecoando.

Além da troca com as mestras foi proposta também uma vivência para toda a comunidade do quilombo e por terem muitas crianças focamos em criar experiências em que elas pudessem interagir bastante com o que foi desenvolvido.
Uma das atividades foi um “autorama” de fita de LED usando folhas de plantas colhidas no território como controle. As folhas foram colocadas em um bastidor de madeira algumas e funcionavam como botões e cada uma delas representava uma cor. Quando uma criança apertava e soltava uma das folhas um LED da fita era aceso na cor respectiva e ia avançando na fita. A cor que chegasse ao fim da fita primeiro ganhava a corrida.
A outra prática envolveu o grupo de jongo do Quilombo e foi um primeiro estudo da obra que seria desenvolvida depois no OpenLab que consistiu em uma fita de LED controlada por um código reativo ao som. Conforme o grupo cantava e tocava era desenhado na fita de LED um padrão com menor ou maior intensidade de acordo com o som recebido. A fita foi tramada junto com a taboa em um bastidor de madeira construído para as oficinas que as mestras ministram.
Também deu tempo de fazer alguns outros experimentos isolados com projeção que ficaram como prática exploratória no local.
Essa primeira etapa da residência foi muito boa para consolidar ideias que vinham germinando a um tempo na cabeça e precisam de uma terra rica para crescerem. Toda essa experiência me faz pensar que a complexidade e o avanço das tecnologias digitais nos distancia dos processos primordiais de como as coisas são feitas e passamos a operar em um outro regime de espaço e tempo: o da distância com o nascimento da tecnologia que operamos e a urgência do tempo rápido. O desejo de experimentar e consumir o novo o tempo todo, forçando ao limite produtivo o território e o tempo da natureza.
OpenLab
A partir das aproximações e experimentações desenvolvidas no território do Quilombo da Fazenda fiz na troca com Anastácio e com meu irmão Felipe Vieira, que prestou assistência toda a execução da obra, o refinamento das ideias da obra inscrita na proposta de residência.
Conceitualmente quis explorar a criação de uma série de objetos que materializasse a junção de dois tempos tecnológicos: o controle de LED com microcontroladores e o tramar de fibras naturais. A ideia é provocar essa justaposição entre o que nos é vendido como tecnologia que algo que vive no universo digital e corre agressivamente para o futuro com algo que hoje em dia poucas pessoas enxergam como tecnologia, mas que é carregado de conhecimentos que atravessam anos.
A construção desse objeto também evidencia que ambas as tecnologias podem viver no mesmo tempo, que o avanço para o futuro não deve ser antagônico ao passado e na interseção tecnológica é possível criar fissuras para o nascer de outras possibilidades.
Num campo mais abstrato também tem relação algorítmica do meu trabalho e o das mestras Carmen, Cida e Natalina. Artistas computacionais geralmente são associados a um trabalho desenvolvido no universo digital, mas é ignorado nesse tipo olhar a ideia de que o pensamento computacional pode se manifestar em qualquer prática. A trama desenvolvida pelas mestras segue um algoritmo muito preciso e versátil, elas dominam suas funções entre tranças e tramas criando os objetos que imaginam.

A eletrônica é uma área de interesse de longa data minha, mas que nunca tive uma oportunidade de imersão como a que tive para execução da obra proposta. Foram meses entendendo e aprendendo sobre as possibilidades de componentes, microcontroladores, fitas de LED e programação.








A partir dessas pesquisas, ideias, conversas e trocas contados aqui crio coletivamente a obra “Eletrotramas” que se materializou num conjunto de: 8 esteiras tramadas com fibras de taboa e fitas de LED pela mestra Natalina fixadas em bastidores de madeira confeccionadas pelo Felipe, por 1 tambor do artesão Luiz Poeira e 2 microcontroladores com microfones operando esse sistema de componentes.
Os microcontroladores escutam o ambiente e o que é tocado pela pessoa visitante no tambor para desenhar com essas informações padrões nas barras de LED que estão tramadas nas esteiras. A intensidade dos desenhos é proporcional ao volume dos sons do ambiente, quanto mais intenso mais elementos aparecem desenhados nas esteiras com maior intensidade de luz e as cores mudam com o tempo de maneira bem dilatada quase imperceptível.
Pela forma construtiva do trabalho, não é possível fazer uma desassociação do meu trabalho com eletrônica e código do trabalho de Natalina com barbantes e folhas de taboa. As esteiras são um único corpo, ao tentar remover algumas das partes o trabalho se perde, assim como nos perdemos ao olhar pra tecnologia sem considerar as técnicas ancestrais.
O tambor produzido por Luiz Poeira, outra tecnologia ancestral, se conecta com o jongo do território quilombola e se torna interface para controlar os fluxos do tempo que se iluminam nos padrões desenhados nas esteiras.

“Eletrotramas” em conjunto com as obras dos outros residentes (Chris Tigra, Felipe Nunes e Negalê Jones) ficou disponível para visitação e interação do dia 29/08/25 até 04/01/2026 na exposição “Assento o Futuro em Preta Luminância” na Casa Mário de Andrade no centro de São Paulo.

Aspectos Técnico
O processo de criação dessa obra, como comentado aqui, foi de muito aprendizado e um dos desejos é era deixar os caminhos tecnológicos percorridos aberto para que outras pessoas possam se aventurar também por essas possibilidades. Para isso pretendo então discorrer sobre todas as escolhas técnicas e algumas subjetivas que circundaram o projeto, desde os primeiros estudos até as especificações finais do projeto.
Reforço aqui também que além desse texto está disponível no Github um repositório com: todos os códigos gerados e uma lista de todos os componentes utilizados. Segue o link: https://github.com/guilhermesv/eletrotramas-labquilombola.

A ideia inicial da obra era ser apenas contemplativa, mas já nos primeiros encontros com Anastácio ele sugeriu a inserção da interatividade a partir do som do tambor como uma forma de estabelecer essa conexão da obra com uma das principais manifestações do quilombo o jongo.
Essa escolha de caminho nos levou a realizar diversos testes para captura desse som, o primeiro protótipo da ideia montado no Hacklab no quilombo utilizamos o microfone de webcam conectada a um computador rodando um código de Processing que por sua vez enviava as informações tratadas para um arduino uno que controlava as fitas de LED.
Esse processo funcionou bem no quilombo, mas para a instalação queria deixar menos itens e códigos para manipular, e com essa necessidade que cheguei no arranjo descrito na primeira parte desse texto: controlador (Microcontrolador + Microfone) comandando diretamente as fitas de LED.
Microcontrolador
Para controlar toda a instalação escolhi trabalhar com o ESP32, mais especificamente a placa de desenvolvimento DOIT ESP32. A plataforma ESP tem valores mais acessíveis comparado ao Arduino e entregam muito mais recursos e funcionalidades. Como minhas habilidades de código são baixas, contar com um microcontrolador com mais processamento e memória me permite fazer um código “ruim”, mais prolixo e menos otimizado.

Microfone
Para eliminar o computador e a webcam pesquisei alguns microfones para utilizar direto no ESP32 e cheguei nos modelos MAX9814 e INMP441. Eu queria muito usar o INMP441 que se comunica com o ESP através de I2S o que permitia uma captura mais limpa do áudio, mas não consegui fazer funcionar e fui com a segunda opção o MAX9814 que tem um funcionamento bem mais simples de apenas transmitir o sinal analógico captado pelo microfone através de uma variação de tensão lida pelo ESP como um sensor analógico comum.

Apesar do microfone funcionar bem na instalação, hoje teria investido mais em uma ideia inicial de utilizar piezos que captam a vibração do tambor. Isso elimina a relação direta com o som e a possibilidade de analisar suas frequências, mas também evitaria o problema do microfone captar demais trazendo muito ruído o que impossibilita um controle mais fino do resultado.
Fitas de LED
Para os LED eu escolhi seguir com os utilizados durante o Hacklab que foi uma fita de LED endereçável WS2812 que operam em 5V e o principal motivo de manter foi que pretendia inicialmente fazer uma única alimentação das fitas e microcontrolador, mas que não foi o caso da instalação final.
Atualmente eu teria seguido a sugestão do amigo Guilherme Durão e ido para alguma com alimentação de 12V que apesar de queimarem mais fácil que as de 5V caso conecte algo errado, permitem uma corrente menor no sistema e sofrem menos com a queda de tensão, questão que abordo melhor na parte do circuito da instalação. Uma outra vantagem das fitas de 12V, é que elas são mais comuns por aqui, então são mais baratas e as fontes também tem em custo menor que as de 5V e com mais opções de modelo.
Foi também escolhida uma fita com 60 LEDs por metro, essa densidade já produz um efeito melhor que as 30 de LEDs por metros. Caso quisesse uma luz mais continua seria necessário uma quantidade maior de LEDs por metro, o que levaria também a uma corrente maior circulando pelo sistema.
É importante se atentar ao fazer coisas com LEDs é que dependendo da metragem que você vai utilizar a corrente pode ficar bem alta se você não implementar nenhum controle ou não se atentar no consumo durante a fase de projeto e isso pode gerar uma queima de algum componente ou até mesmo um manejo de energia perigoso. Na parte de código detalho mais algumas precauções que fiz para evitar esse problema.
Uma coisa chata ao lidar com a compra das fitas, principalmente em marketplaces é encontrar um vendedor que não enviasse as controladoras que normalmente vem junto com as fitas. Mesmo pedindo para não enviar, recebi todas as fitas com a controladora que não teria uso nenhum.
Alimentação
Inicialmente eu queria trabalhar apenas com uma fonte que alimentaria as fitas de LED e o controlador com o objetivo de simplificar as coisas, porém ao pesquisar sobre soluções similares e conversar com o pessoal do grupo de Programação Criativa do Telegram optei por criar 2 alimentações independentes o que traria uma maior segurança ao meu controlador no caso de uma sobre corrente causada pelas fitas de LED e também poderia ter qualidades técnicas específicas para cada uma das fontes.
As fitas foram então alimentadas com uma fonte chaveada de 5V e 10A comum, que escolhi principalmente pelo preço já que as fitas são mais toleráveis a variação de tensão e eu não planejava chegar no limite da tensão da fonte. Esse tipo de fonte também já tem por padrão 2 saídas de 5V, o que é bom para conseguir fazer reforço de alimentação nas fitas em caso de queda de tensão.

Essa especificação de fonte foi superdimensionada para o meu circuito que consumia uma média de 2A a 5A dependendo do estado do código, porém em conversas com Anastácio optamos por comprar fontes mais potentes por que não eram um custo muito maior, trabalhar no limite da fonte pode ser mais estressante pro circuito dela e ficamos com uma margem para eventuais mudanças na instalação.
Para alimentação do circuito do controlador optei pela fonte da Hi-Link de 3.3V e 0.2A que é bem pequena, fornece uma tensão bem estável e com potência suficiente alimentar todos os componentes do circuito. Por ser pequena consegui incorporar ela dentro da caixinha que fiz para o controlador, o que pra mim deixou o circuito mais organizado e sistematizado.

Conectores e cabos
Eu queria que toda a instalação fosse o mais modular possível pois isso me permitiria montar e desmontar com mais tranquilidade e também debugar com facilidade pois conseguiria isolar mais os elementos se necessário, então trabalhei com conectores rápidos separando a maior parte dos elementos da instalação.
Para a conexão do controlador com as esteiras optei por utilizar o conector P10 por ser barato, fácil de encontrar, tranquilo de plugar e desplugar e uma estética que achava interessante.

Já para fazer a conexão de uma esteira a outra cogitei inicialmente também usar os P10 também, porém como eram muitas conexões resolvi simplificar utilizando os conectores WAGO que geralmente são utilizados em instalações elétricas residências e industriais. Algumas das vantagens de utiliza-los foi: por serem de pressão não há necessidade de solda no conector e os cabos utilizados não precisaram ter suas pontas estanhadas; consegui utilizar cabos comuns de iluminação já que esses conectores são fabricados para instalação elétrica; permitem facilmente derivar uma conexão de acordo com números de vias do conector; e por terem o corpo plástico e serem retos facilitou a colagem deles direto nas canaletas utilizadas nas esteiras para as fitas de LED.

Esteiras
A essência da obra era ter a parte de eletrônica tramada junto com as fibras de taboa na esteira, deixando as 2 parte como um único corpo, então foi necessário estudar como isso seria feito, já que não conseguira trabalhar junto com a Natalina.
Para as esteiras serem confeccionadas no quilombo a parte eletrônica teria que ser feita aqui, pois o translado de alguma parte eletrônica de São Paulo para Ubatuba e depois o retorno para São Paulo deixaria a logística mais enrolada e o risco de danificar o material maior, então buscamos uma maneira de criar os espaços para inserir facilmente as fitas de LED e fazer todo o trabalho de soldagem aqui em São Paulo.
Para isso utilizei perfis em U de plástico utilizados em comunicação visual para dar acabamento em painéis como canaletas para encaixar as fitas posteriormente. O modelo que encontrei possui um vão de 12 mm, o que é perfeito para acomodar a fita de LED que possui 10 mm. Por serem de plástico são facilmente cortadas e também tem um custo bem barato comparado com perfis de alumínio utilizados em iluminação e ficam resistente ao transporte.
As canaletas foram levadas pela produção até a mestra Natalina junto com um desenho esquemático que fiz para auxilia-las na montagem já que eu tinha uma quantidade já planejada de fita para utilizar. Para facilitar o processo também desenhei apenas 4 modelos e pedi 2 unidades de cada um ao invés de pedir 8 modelos totalmente diferentes.

A dimensão e quantidade de canaletas foram definidas a partir do melhor aproveitamento do rolo de 5 m de fita. Cada canaleta possui 48 LEDs, o que rendia 6 canaletas por rolo de fita com uma margem de segurança, essa quantidade de LEDs por canaleta definiu a largura da esteira de 80 cm. Já altura foi uma escolha mais baseada numa proporção que achava interessante para o espaço que tivesse uma presença, mas que ainda permitisse ter esteiras com uma quantidade mais densa de LEDs.
Com as esteiras em mãos foi feito o processo de cortar as fitas, inserir elas nas canaletas e soldar as conexões necessárias entre uma canaleta e outra da esteira. Inicialmente pensei em utilizar emendas prontas nessa etapa, porém não encontrei eles com medidas interessantes para o projeto e fazer os 72 conectores me pareceu mais trabalhoso do que soldar e isolar todas as conexões.
Na colocação das fitas é importante respeitar o sentido da fita, geralmente indicado por uma seta impressa na fita, caso seja invertido a fita não irá funcionar.
Foram também coladas na primeira e na última canaleta de cada esteira 3 conectores WAGO. Os conectores da primeira canaleta servem para receber as conexões de dados, alimentação (5V e GND), já os conectores servem como saída dessas 3 entradas para se conectar na próxima esteira.

A isolação das conexões com solda nas fitas foi feita com termoretrátil, que para além do isolamento elétrica fornece um pouco mais de resistência mecânica evitando forçar a solda durante o transporte e estragar a trilha da fita.
A utilização dos conectores permite a montagem das esteiras em qualquer ordem e também facilita fazer o reforço de alimentação em caso de queda de tensão devido ao tamanho das fitas.



Bastidores
Os suportes das esteiras foram desenhados junto com o Felipe a partir de uma ideia sugerida pelo Anastácio durante o Hacklab de se inspirar nos bastidores de tecer as esteiras. Na materialidade deles optamos também por seguir uma estética mais crua como os originais para incorporar mais a naturalidade dos materiais.
As alturas dos bastidores foram feitas buscando um ritmo dinâmico na ocupação do espaço e todas as medidas foram estabelecidas pensando no melhor aproveitamento das ripas e sarrafos utilizados. A montagem deles foi feita somente com prego e um pouco de cola para melhorar a estabilidade. As esteiras também eram encaixadas em pequenos pregos colocados na estruturas.


Controlador
Para o controlador que irá comandar as fitas de LEDs desenhando os padrões reativos a áudio optei por montar o circuito em uma placa ilhada e coloca-lo dentro de uma caixa de acrílico fechada com encaixe e parafusos.
Para a placa do circuito utilizei os seguintes componentes:
- 1 placa de fenolite 5×10 cm perfurada e ilhada como suporte
- 1 barras de pinos para conectar microfone e ESP32
- 1 fonte da Hi-Link 3,3V para alimentação
- 1 chave HH para alternar alimentação do circuito entre a fonte ou a USB via microcontrolador
- 1 jack P10 para conexão com as fitas de LED
- 1 borne Kre de 2 vias para ligar a fonte na tomada

Uma informação importante do circuito é conectar no P10, junto aos dados, o GND para conseguirmos conectar com o GND da fonte de alimentação dos LEDs e assim estabilizar o circuito e evitarmos ruído no sinal.
Com o circuito feito desenhei a caixa e produzi um protótipo em MDF, que foi essencial pra confirmar todas as medidas antes de fazer o corte no acrílico. A escolha do acrílico transparente dialoga com toda estética da instalação de não esconder os elementos elétricos e eletrônicos. A base da caixa foi presa em um perfil L preso em um tripé com uma “ballhead” para direcionar os controladores na direção que quiser.



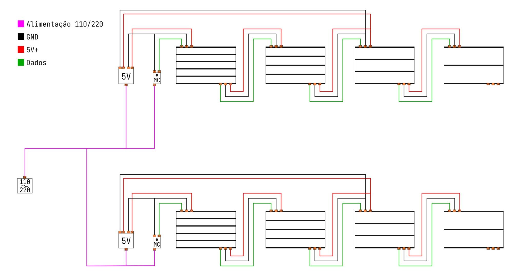
Circuito da instalação
Para a instalação final organizei as ligações dos elementos em 2 conjuntos, cada um deles formado:
- 1 Fonte de alimentação de 5V
- 1 Controlador
- 4 esteiras
Toda a instalação poderia funcionar com apenas 1 fonte de alimentação, 1 controlador e as 8 esteiras, porém preferi separar para ficar mais fácil de encontrar problemas e para cada um dos conjuntos operar uma configuração de código diferente.
A conexão de todos os elementos no circuito é bem direta: as fontes de alimentação e controladores são ligadas em uma régua; as fontes 5V e os controladores são ligados na entrada da primeira esteira do respectivo conjunto; e as saídas das esteiras são conectadas na entrada da esteira seguinte.
A conexão entre os GND da fonte da 5V e da fonte do controlador vai acontecer quando os 2 forem conectados na entrada da primeira esteira, e isso vai estabilizar as duas alimentações e eliminar possíveis ruídos.
Outro ponto importante é que trabalhando com fontes de 5V é necessário a cada 5 m de fita fazer um reforço na alimentação pois existe uma queda de tensão no percurso: o começo da fita recebe os 5V, mas ao chegar no fim dos 5 metros essa voltagem se reduz fazendo com que a fita fique com cores mais fracas e amareladas. Para resolver isso é só puxar outras conexão de alimentação da fonte, passando direto ao ponto onde necessita reforçar a tensão.

Código
O primeiro código desenvolvido no Hacklab era bem simples onde eu desenhava apenas um ruído de perlin que aumentava e diminuía a sua intensidade a partir do som. Apesar de adorar o resultado queria aproveitar o tempo que tive entre o Hacklab e a exposição para explorar outras possibilidades no código e desenhar algo mais complexo.
Para o desenvolvimento do código foi essencial antes de me aprofundar nas interações o entender o funcionamento do microfone, da fita e dos dois operando em conjunto. Pra isso eu gerei alguns códigos auxiliares com o mínimo necessário pra fazer cada um desses itens funcionar e que posteriormente serviram para realizar testes na instalação. Então basicamente eu tenho:
- Um código que apenas capta o áudio do microfone e plota um gráfico com as informações. Com esse código consigo avaliar o funcionamento do microfone e também o ruído local.
- Alguns códigos para testar a fita de LED com diferentes configurações de desenho, como acender um LED por vez sequencialmente para verificar as conexões entre as fitas ou todos os LEDs em uma determinada cor para checar a queda de tensão ou consumo de corrente
- Um código básico que testa o mapeamento da captura do microfone para a intensidade da fita de LED.
Algumas funcionalidades desses códigos foram incorporadas no código final também, como por exemplo o gráfico da captura do microfone que eu utilizei para configurar a instalação no local da exposição.
Eu também optei por sempre que possível adotar soluções amplamente utilizadas para facilitar encontrar respostas para possíveis problemas. Esse caminho me levou a utilizar a biblioteca FastLED para controle da fitas e ela se tornou essencial para o projeto.
As principais vantagens de utilizar essa biblioteca é que ela é produzida com o foco em performance, então além de todas as funcionalidades que ela trás para controlar os LEDs já serem otimizadas ela também tem funções auxiliares como operações matemáticas também otimizadas para o controle dos LEDs para obter resultados mais performáticos.
Se você quiser se aprofundar nessa biblioteca recomendo bastante os tutoriais do Scott Marley no Youtube e a leitura do FastLED Cookbook. Infelizmente os 2 conteúdos são inglês.
Entre as várias funcionalidades da FastLED existe uma bem importante de conhecer que é o controle de consumo. A biblioteca possui uma função em que você define a voltagem que esta trabalhando e o máximo de corrente que o seu circuito suporta e a partir do código ela vai estimar o consumo e limitar a intensidade dos LEDs a partir dos parâmetros que você definiu.
Além dessa função específica ela também tem uma outra que limita o brilho dos LEDs, que esta diretamente relacionado ao aumento de corrente no circuito: quanto mais brilho mais potência será necessário.
Na documentação na seção Power Considerations tem um detalhamento do funcionamentos desses controles e outras dicas legais para evitar problemas e acidentes ao trabalhar com fitas de LED.
No meu caso, por ser a minha primeira experiência com LEDs eu preferi jogar no seguro. Fiz vários testes no código verificando o consumo com um multímetro aferindo se a corrente não estava subindo muito. O consumo médio de cada conjunto variava de 2A a 5A e isso foi devido ao código que limitava essa corrente, por eu optar em evitar acender todos os LEDs ao mesmo tempo e principalmente por não utilizar o branco, que na minha fita é feito a partir dos LEDs acendendo as suas 3 cores bases (Vermelho, Verde e Azul) na sua intensidade máxima levando o consumo lá no alto.

Entendo todos esses pontos técnicos pude me dedicar no código que seria utilizado e nas decisões estéticas que queria para instalação. Segue um resumo do código:
- O código recebe os dados de captura de áudio do microfone e analisa o “volume” desse áudio;
- Com esses dados o código ira desenhar na fita de LEDs 1 padrão dentro de umas 3 possibilidade faixas de volume;
- Cada faixa de volume é uma camada do desenho feita uma cima em cima da outra;
- A intensidade do brilho desses padrões também é controlada pelo volume do som captado;
- Os padrões se movem verticalmente pelas esteiras;
- Cada um dos padrões possui uma cor e essa cor varia com o tempo vagarosamente;
- De tempos em tempos novos padrões são escolhidos para cada uma das camadas.

Os primeiros código que fiz os padrões eram criados via código, porém eu não estava conseguindo uma variedade de desenhos que achava interessante visualmente, então eu mudei para uma abordagem menos generativa e criei uma biblioteca de padrões que são escolhidos aleatoriamente para cada camada de tempos em tempos.
Para desenhar esses padrões eu optei por faze-los diretamente em texto, ou seja, criei um arquivo de texto e partir da digitação de “1” e “-” desenhava o padrão que queria.

Optei também por desenhar padrões grandes verticalmente, para que eles percorressem o circuito. Esse desenho dos padrões acabam se tornando também esteiras digitais. Gosto dessa ideia pois seria como se essas esteiras digitais vivessem dentro das esteiras físicas criadas pela Natalina.
Fazia tempo que não escrevia um texto tão longo por aqui, mas acho que foi necessário pra tentar contemplar todo o percurso desse projeto. Até uma próxima!
